DOUIL.PERC.CHROMEE 3/8DRX7/16
Category:
GENIUS
Department:
- SOCKET
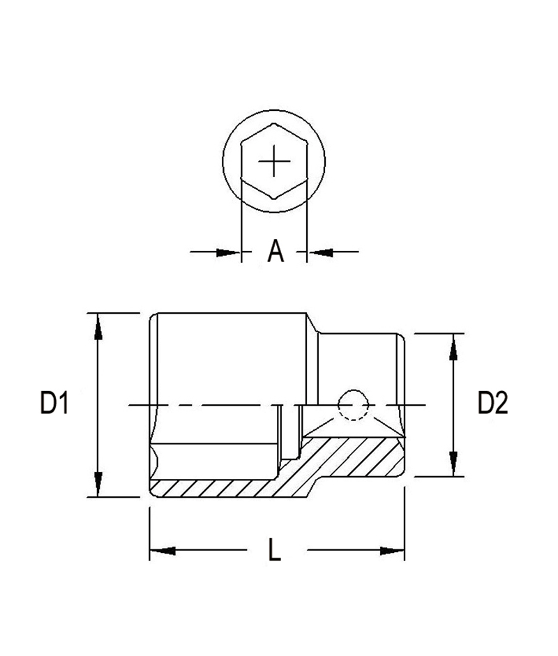
Diameter:
7/16
Diameter D1:
16mm
Diameter D2:
19mm
Length:
30mm
Standard:
CHROME

