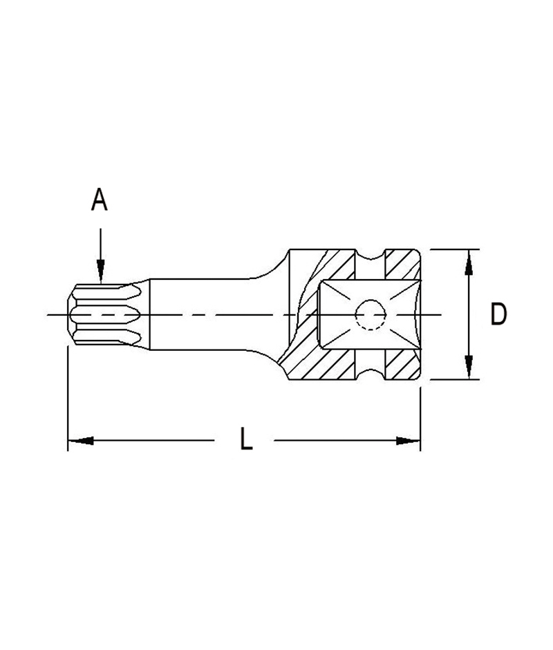
DOUIL.TETE.SPEC.(*)3/8DR 19MM
Catégorie:
GENIUS
Département:
- DOUILLES
Diamètre:
19mm
Longueur:
52mm
Standard:
PERCUSSION

