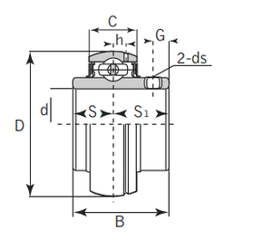
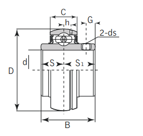
ROULEMENTS À BILLES INSERT 30MM

BEARINGS
$12.7103
GRB-UC206
4 item(s)
+

Minimum quantity for "ROULEMENTS À BILLES INSERT 30MM" is 1.

ROULEMENTS À BILLES INSERT 30MM
Category:
GRB
Department:
  • BEARINGS
Diameter:
30mm

At the same price!

$13.2299
$12.3599
EYE BOLT METRIQUE 20MM
10-580-M20
17 item(s)
$12.8803