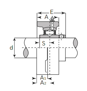
FLANGE ROULEMENTS 2 TROUS 3/4"

FLANGED UNITS
$14.8365
GRB-UCFL204-12
1 item(s)
+

Minimum quantity for "FLANGE ROULEMENTS 2 TROUS 3/4"" is 1.

FLANGE ROULEMENTS 2 TROUS 3/4"
Category:
GRB
Department:
  • FLANGED UNITS
Diameter:
3/4

At the same price!

PROTECTEUR EN ACIER GALVANISÉ DE COIN POUR COURROIES 4"
10-37030045
9 item(s)
$14.3243
$14.9197
LINGUET HD POUR CROCHET DE GODET A SOUDER TYPE 3T
10-39514330
3 item(s)
$14.8888