DOUILLES IMP. 15/16 1/2DR

$7.4402
GNS464030
1 Articles
+

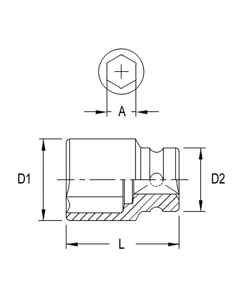
DOUILLES IMP. 15/16 1/2DR

Catégorie:
GENIUS
Diamètre:
15/16
Diamètre D1:
35mm
Diamètre D2:
30mm
Longueur:
44mm

At the same price!

ANNEAU DE LEVAGE FEMELLE M10
10-582-M10
27 Articles
$7.5157
*CROCHET OUVERT COULISSANT SLIP GR70 AVEC LINGUETS 1/4
10-CO-70-1/4-LOCK
98 Articles
$7.6910
COSSE DE CABLE LEGERE 3/4" GALV
10-COSSEL-3/4
20 Articles
$7.1151