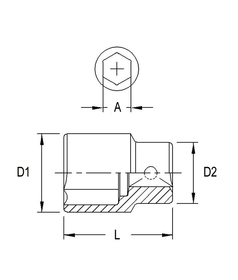
DOUILLES 1 1/2DR.

$6.4393
GNS483832
1 Articles
+

DOUILLES 1 1/2DR.

Catégorie:
GENIUS
Diamètre:
1
Diamètre D1:
35mm
Diamètre D2:
32mm
Longueur:
44mm
Norme:
DOUILLES
Standard:
CHROMÉE

At the same price!

PROTECTEUR DE COINS 2"-4" POUR COURROIES EN PLASTIC BLANC
10-37030048
5 Articles
$6.1298
TENDEUR CROCHET-OEIL PLAQUÉ ZINC 5/16X2 5/8"
10-AN5025
1 Articles
$6.5264
*CHAINE GR100 9/32" /P
10-CHAINE-100-9/32
158 Articles
$6.4716