DOUILLE CHROMEE 1/4DR X 1/8

$1.7323
GNS282504
1 Articles
+
DOUILLE CHROMEE 1/4DR X 1/8
Catégorie:
GENIUS
Diamètre:
1/8
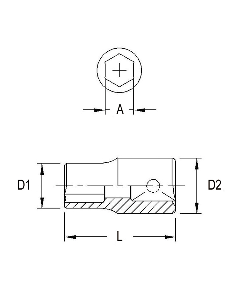
Diamètre D1:
5,7mm
Diamètre D2:
12mm
Longueur:
25mm
Norme:
DOUILLES
Standard:
CHROMÉE

At the same price!

EYE BOLT AVEC ECROU 3/16X1.5/8 ZINC
10-AN5104
50 Articles
$1.7392
$1.6695
HYUNDAI/KIA SPLASH SHIELD NYLON NUT BOX-1000
40-22352B
750 Articles
$1.8035