DOUIL.PERC.CHROMEE 3/8DRX5/16
Catégorie:
GENIUS
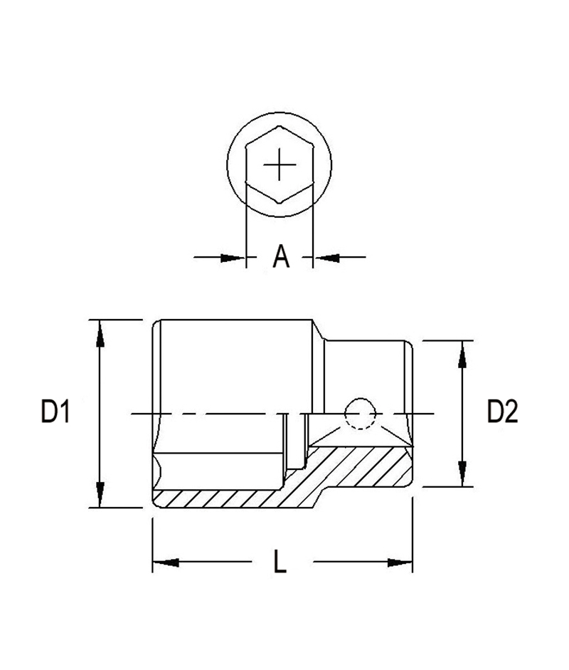
Diamètre:
5/16
Diamètre D1:
12mm
Diamètre D2:
19mm
Longueur:
28mm
Norme:
DOUILLES
Standard:
CHROMÉE